СБМ-21 счетчик Гейгера

Технические характеристики СБМ-21:
Рабочее напряжение - от 350 В до 475 В.
Разброс относительной чувствительности - не более ±15%.
Диапазон регистрации гамма-излучения - от 0,1 мкР/с до 1000 мкР/с.
Предельно допустимая мощность экспоненциальной дозы гамма-излучения - 0,25 Р/с.
Чувствительность к гамма-излучению от источника 137Cs при мощности экспоненциальной дозы 10 мкР/с - от 6,5 имп/мкР до 9,5 имп/мкР.
Уровень натурального фона СБМ-21 - 12 имп/мин.
Максимальный подсчет - не более 650 имп/с.
Мертвое время при напряжении 400 В - 64 Р/мкс.
Протяженность плато счетной характеристики - не менее 100 В.
Напряжение начала счета - от 260 В до 320 В.
Наклон плато счетной характеристики - 0,15 %/В.
Наибольший рабочий ток - 12 мкА.
Амплитуда импульсов - не менее 50 В.
Междуэлектродное сопротивление - не менее 109 Ом.
Срок службы (количество импульсов) изделий счетчики СБМ-21 - не менее 2∙1010.
Интенсивность отказов в нормальных климатических условиях в течение наработки 2∙1010 импульсов при доверительной вероятности 0,6 - не более 10-11 имп-1.
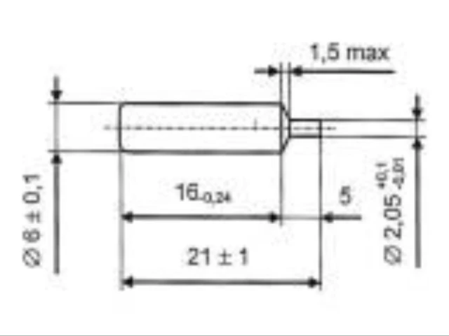
Габаритные размеры:
- диаметр - не более 6,01 мм;
- длина - не более 22 мм.
Масса - не более 0,7 г.
Условия эксплуатации СБМ-21:
Температура окружающего воздуха - от -60° С до +70° С.
Максимальная температура эксплуатации в течение 125 ч - +85° С.
Климатическое исполнение - УХЛ 2.1.
В наличии также:
- СИ8Б
- БЕТА-5
- СБТ-10
- СБТ-11
- СИ3БГ
- СИ14Б
- СИ22Г
- СИ38Г
- СИ42Г
- СНМ-14
- СБМ-19
- СБМ-20 и другие.
Доставка Новой Почтой.
По указанному в объявлении контактному номеру телефона можно также обращаться через Вайбер, Вацап, Телеграм.



